Warnung
Sie lesen eine alte Version dieser Dokumentation. Wenn Sie aktuelle Informationen wünschen, schauen Sie bitte unter 2025.09 .Befestigungskit
Bemerkung
This section does not concern the Asycube Clean 230.
Kunden, die eine andere Plattform als die von Asyril verwenden möchten, müssen den folgenden Befestigungskit verwenden und folgende Abmessungen und Gewicht der Plattform einhalten:

Abb. 58 Befestigungskit für Asycube 50/80

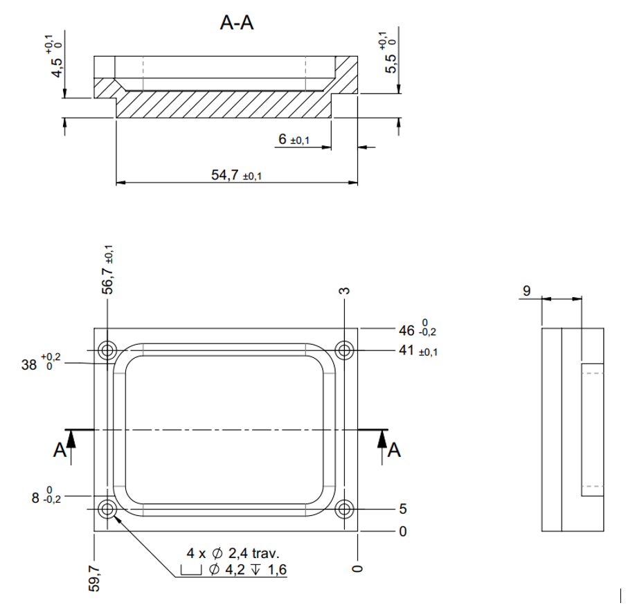
Abb. 59 Mechanische Schnittstellen der Plattform für den Asycube 50

Abb. 60 Befestigungskit für den Asycube 80

Abb. 61 Mechanische Schnittstellen der Plattform für den Asycube 80

Abb. 62 Befestigungskit für den Asycube 240

Abb. 63 Mechanische Schnittstellen der Plattform für den Asycube 240

Abb. 64 Mechanische Schnittstellen der Plattform für die Asycube 380/530
Plattform Asycube 380 |
Plattform Asycube 530 |
|
---|---|---|
A |
240 ± 0.15 mm |
357 ± 0.15 mm |
B |
260 ± 0.15 mm |
360 ± 0.15 mm |
C |
311 ± 0.15 mm |
412 ± 0.2 mm |
D |
M3x6 mm (Ensat BN902 Gewindeeinsätze) |
Bemerkung
No fixation kit available for the Asycube Clean 230.