取り付けインターフェース
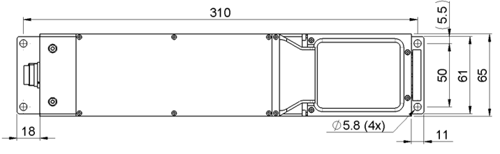
アジキューブを正常に操作するためには、強固な地盤にしっかりと固定する必要性があります。異なるアジキューブのベースプレートにある穴を利用して、機械的に固定してください。
図 15 Asycube 50 の取り付けインターフェース
図 16 Asycube 80 の取り付けインターフェース
位置決めピン(両側可能)を使用することで、アジキューブの位置決めを再現することが可能になります。
ヒント
詳しくは、 機械的インテグレーション を参照してください。
図 17 Asycube 240 の取り付けインターフェース
位置決めピン(両側可能)を使用することで、アジキューブの位置決めを再現することが可能になります。
ヒント
詳しくは、 機械的インテグレーション を参照してください。
図 18 Asycube 380 の取り付けインターフェース
図 19 Asycube 530 の取り付けインターフェース
位置決めピン(両側可能)を使用することで、アジキューブの位置決めを再現することが可能になります。
ヒント
詳しくは、 機械的インテグレーション を参照してください。
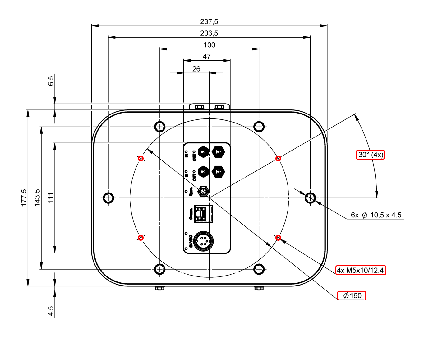
Asycube Clean 230 の固定穴は、 図 20 に赤色でハイライトされています
図 20 Asycube Clean 230 の取り付けインターフェース
重要
Asycube Clean 230 のネジを取り外さないでください。アジリルは生産時に IP65 の密閉性を確認しており、この指示を無視すると保証が無効になり、防水機能が損なわれる可能性があり、装置に損傷を与える恐れがあります。
インターフェースパネルのシール
重要
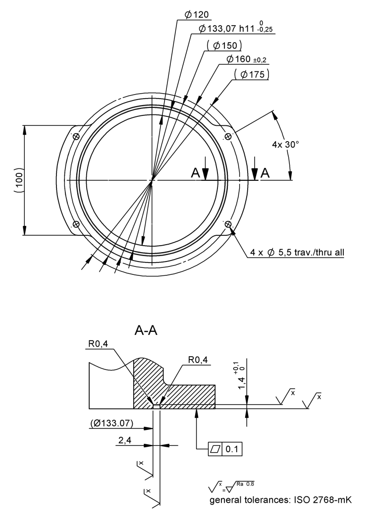
Asycube Clean 230 の電気インターフェースパネルは防水仕様ではありません。最適な密閉を確保するためには、インテグレータがカスタムメイドで取り付け用のカラムを使用する必要があります。密閉はOリングを使用して実現されます。例として 図 21 を参照してください。
重要
図 22 の図面は設計の一例です。このインターフェースでの不適切な密閉によって発生する可能性のある損傷について、アジリルは責任を負いません。また、製品の設計や統合についても責任を負いません。
図 21 そのシールインターフェースを装備したカラムに取り付けられた Asycube Clean 230
図 22 Asycube Clean 230 - 推奨シールインターフェース
以下の Oリング型番が推奨されています:
参照 |
メーカー |
サイズ |
004157 |
久保 |
ID=133.07mm x d2=1.78mm |
BS050S70FDA |
イースタンシール |
ID=133.07mm x d2=1.78mm |
機械に固定
アジキューブを取り付ける基板は、剛性があり、最低でも50kgの重さが必要です。基板の剛性が不十分な場合、不要な振動が隣接するシステムに伝わり、アジキューブや隣接するシステムの性能に悪影響を与える可能性があります。
隣接するコンポーネントが振動に非常に敏感な場合、適切なシール要素(エラストマーベローズ)を使用して、機械のシャーシ/構造レベルで完全に分離することができます。この統合はインテグレータの責任です。
詳細は、当社のウェブサイト より、サポートチームにお問い合わせください。