Interfaces de montage
Pour garantir un comportement correct de l’Asycube, il est nécessaire de le fixer fermement à une base solide. Les trous suivants dans la plateforme de base des différents Asycubes peuvent être utilisés pour les fixer mécaniquement.
Fig. 15 Interface de montage de l’Asycube 50
Fig. 16 Interface de montage de l’Asycube 80
Un positionnement reproductible de l’Asycube peut être obtenu à l’aide de goupilles de positionnement (possibles des deux côtés).
Conseil
Consultez la section Intégration mécanique pour plus d’informations.
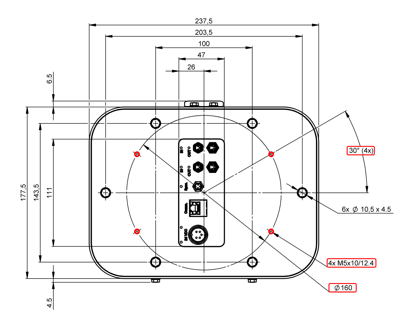
Fig. 17 Interface de montage de l’Asycube 240
Un positionnement reproductible de l’Asycube peut être obtenu à l’aide de goupilles de positionnement (possibles des deux côtés).
Conseil
Consultez la section Intégration mécanique pour plus d’informations.
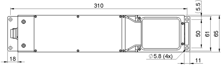
Fig. 18 Interface de montage de l’Asycube 380
Fig. 19 Interface de montage de l’Asycube 530
Un positionnement reproductible de l’Asycube peut être obtenu à l’aide de goupilles de positionnement (possibles des deux côtés).
Conseil
Consultez la section Intégration mécanique pour plus d’informations.
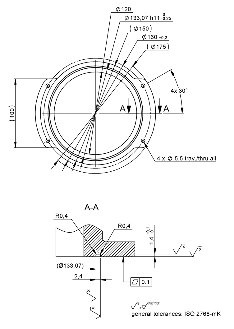
Les trous de fixation de l’Asycube Clean 230 sont mis en évidence en rouge dans la Fig. 20
Fig. 20 Interface de montage de l’Asycube Clean 230
Important
Ne retirez aucune vis de l’Asycube Clean 230, car il a été testé par Asyril en production pour garantir son étanchéité IP65. Le non respect de cette instruction annulera la garantie et peut compromettre l’étanchéité de l’Asycube, ce qui peut entraîner un endommagement du produit.
Scellement du panneau de l’interface
Important
Le panneau de l’interface électrique de l’Asycube Clean 230 n’est pas étanche. Pour assurer une étanchéité optimale, il est nécessaire d’utiliser une colonne de montage qui doit être réalisée sur mesure par l’intégrateur. L’étanchéité est réalisée à l’aide d’un joint torique. La Fig. 21 présente un exemple.
Important
Les dessins de la Fig. 22 sont des exemples de conception. Asyril n’est pas responsable des potentiels dommages pouvant survenir en raison d’une étanchéité inadéquate à cette interface, ni de la conception ou de l’intégration du produit.
Fig. 21 Asycube Clean 230 monté sur une colonne avec son interface d’étanchéité
Fig. 22 Asycube Clean 230 - interface d’étanchéité recommandée
Les références suivantes de joints toriques sont suggérées :
Référence |
Fabricant |
Dimensions |
004157 |
Kubo |
ID=133.07mm x d2=1.78mm |
BS050S70FDA |
Eastern Seals |
ID=133.07mm x d2=1.78mm |
Fixation dans la machine
La plateforme sur laquelle l’Asycube est monté doit être rigide et peser au moins 50 kg. Si la rigidité de la plateforme est insuffisante, des vibrations indésirables seront transmises aux systèmes adjacents, ce qui peut affecter négativement les performances de l’Asycube et des systèmes voisins.
Si les composants adjacents sont très sensibles aux vibrations, un découplage complet peut être réalisé au niveau du châssis/de la structure de la machine en utilisant des éléments d’étanchéité appropriés (soufflets en élastomère). Cette intégration est de la responsabilité de l’intégrateur.
Pour plus d’informations, veuillez contacter notre équipe d’assistance à partir de notre site web.