Warnung
Sie lesen eine alte Version dieser Dokumentation. Wenn Sie aktuelle Informationen wünschen, schauen Sie bitte unter 2025.09 .Montageschnittstellen
Um ein einwandfreies Verhalten des Asycubes zu gewährleisten, ist eine feste Befestigung auf eine feste Unterlage notwendig. Die folgenden Löcher in der Grundplatte der verschiedenen Asycube können zur mechanischen Befestigung genutzt werden.

Abb. 15 Montageschnittstelle des Asycubes 50

Abb. 16 Montageschnittstelle des Asycubes 80
Eine reproduzierbare Positionierung des Asycubes kann durch die Verwendung von Positionierungsstiften (auf beiden Seiten möglich) erzielt werden.

Tipp
Im Abschnitt Mechanische Integration finden Sie weitere Informationen zu diesem Thema.

Abb. 17 Montageschnittstelle des Asycubes 240
Eine reproduzierbare Positionierung des Asycubes kann durch die Verwendung von Positionierungsstiften (auf beiden Seiten möglich) erzielt werden.

Tipp
Im Abschnitt Mechanische Integration finden Sie weitere Informationen zu diesem Thema.

Abb. 18 Montageschnittstelle des Asycubes 380

Abb. 19 Montageschnittstelle des Asycubes 530
Eine reproduzierbare Positionierung des Asycubes kann durch die Verwendung von Positionierungsstiften (auf beiden Seiten möglich) erzielt werden.

Tipp
Im Abschnitt Mechanische Integration finden Sie weitere Informationen zu diesem Thema.
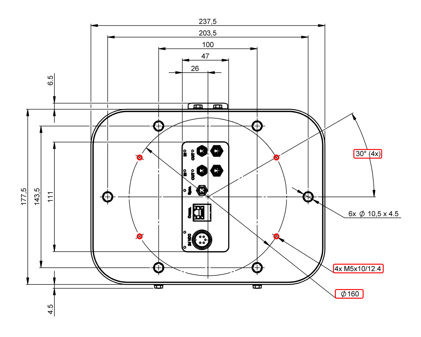
Die Befestigungslöcher des Asycube Clean 230 sind in Abb. 20 rot hervorgehoben.

Abb. 20 Montageschnittstelle des Asycube Clean 230
Wichtig
Entfernen Sie keine Schrauben vom Asycube Clean 230, da er von Asyril in Produktion getestet wird, um seine IP65-Versiegelung zu gewährleisten. Die Nichtbeachtung dieser Anweisung führt zum Erlöschen der Garantie und kann die Wasserdichtigkeit des Asycubes beeinträchtigen, was möglicherweise zu Schäden führen kann.
Versiegelung der Schnittstellenplatte
Wichtig
Das Panel der elektrischen Schnittstelle des Asycube Clean 230 ist nicht wasserdicht. Um eine optimale Versiegelung zu gewährleisten, ist es notwendig, eine Montagesäule zu verwenden, die vom Integrator massgefertigt werden muss. Die Abdichtung wird durch einen O-Ring erreicht. Die Abb. 21 zeigt ein Beispiel dazu.
Wichtig
Die Zeichnungen in Abb. 22 dienen als Entwurfsbeispiel. Asyril ist weder für mögliche Schäden verantwortlich, die durch eine unzureichende Abdichtung an dieser Schnittstelle entstehen können, noch für das Design oder die Integration des Produkts.

Abb. 21 Asycube Clean 230 montiert auf einer Säule mit seiner Dichtungsschnittstelle

Abb. 22 Asycube Clean 230 - empfohlene Dichtungsschnittstelle
Die folgenden O-Ring-Referenzen werden empfohlen:
Referenz |
Hersteller |
Abmessungen |
004157 |
Kubo |
ID=133.07mm x d2=1.78mm |
BS050S70FDA |
Eastern Seals |
ID=133.07mm x d2=1.78mm |
Befestigung in der Maschine
Die Platte, auf der der Asycube montiert ist, muss steif sein und mindestens 50 kg wiegen. Wenn die Steifigkeit der Platte nicht ausreicht, werden unerwünschte Vibrationen auf benachbarte Systeme übertragen, was die Leistung des Asycubes und der benachbarten Systeme beeinträchtigen kann.
Sind die angrenzenden Komponenten sehr schwingungsempfindlich, kann eine vollständige Entkopplung auf der Ebene des Maschinengestells/der Maschinenstruktur durch den Einsatz geeigneter Dichtungselemente (Elastomerbälge) vorgenommen werden. Diese Integration liegt in der Verantwortung des Integrators.
Für weitere Informationen, wenden Sie sich bitte über unsere Website an unser Support-Team.