Avertissement
Vous lisez une ancienne version de cette documentation. Si vous souhaitez obtenir des informations actualisées, veuillez consulter 2025.11 .Plateformes de purge
Lorsqu’un changement rapide de composant est nécessaire, l’option de purge permet de passer facilement du traitement d’un produit « A » à un produit « B » et ainsi de réduire le temps de commutation tout en évitant l’intervention d’un opérateur pendant la production. Le principe de purge est différent pour chaque Asycube :
L’option de purge pour les Asycubes 50 et 80 consiste en :
(A) une plateforme à la géométrie particulière, qui permet d’évacuer les composants.
(B) une boîte recevant les composants purgés placée sous la trémie. Cette boîte peut être retirée sans outil.
Fig. 80 Option de purge
L’option de purge de l’Asycube 240 consiste en :
(A) Une plateforme avec une géométrie spéciale et un clapet intégré pour purger les pièces soit à gauche, soit à droite.
(B) Un kit d’actionnement de purge permet le mouvement du clapet et sa fermeture correcte. Il contient un actionneur électrique et un capteur.
(C) Un bec de purge
Remarque
Le kit d’actionnement de purge est vendu séparément de la plateforme.
Le bec de purge est livré avec le kit d’actionnement de purge.
Les câbles sont inclus dans le kit d’actionnement de purge.
Le côté de la purge (droit ou gauche) ne peut plus être reconfiguré après l’achat.
L’option de purge pour les Asycubes 380 et 530 consiste en :
(A) Un cadre de purge avec un clapet intégré pour purger les pièces soit vers la gauche, soit vers la droite. Il contient un actionneur électrique et un capteur pour permettre une fermeture correcte du clapet.
(B) Un bec de purge.
Le clapet est actionné par un moteur électrique, et un capteur reconnaît sa bonne fermeture. Le mécanisme est contrôlé directement par l’Asycube.
Remarque
Le kit d’actionnement de purge est vendu séparément de la plateforme.
Le bec de purge est livré avec le cadre de purge.
Les câbles sont inclus dans le kit d’actionnement de purge.
Interfaces mécaniques
50 |
80 |
|
|---|---|---|
A |
68.7 mm |
90.7 mm |
B |
1 mm |
1 mm |
C |
3.5 mm |
3.5 mm |
D |
2.5 mm |
3.5 mm |
E |
5.5 mm |
5.5 mm |
F |
45° |
45° |
Asycube 240 |
|
|---|---|
A |
199 mm |
B ± course |
144±2 mm |
C ± course |
132±2 mm |
D |
180 mm |
E |
152 mm |
F |
4 mm |
G |
54 mm |
H |
201 mm |
I ± course |
149±2 mm |
L |
Acier inoxydable 1.4301 |
M |
Acier inoxydable 1.4301 |
N |
POM (voir liste de produits) |
Asycube 380 |
Asycube 530 |
|||
|---|---|---|---|---|
Hauteur du cadre |
H=60mm |
H=85mm |
H=68mm |
H=100mm |
A |
287 mm |
287 mm |
404 mm |
404 mm |
B ± course |
307±6 mm |
332±6 mm |
329±8 mm |
361±8 mm |
C ± course |
306±6 mm |
331±6 mm |
327±8 mm |
359±8 mm |
D |
264 mm |
264 mm |
381 mm |
381 mm |
E |
311 mm |
333 mm |
435 mm |
463 mm |
F |
316±6 mm |
341±6 mm |
338±8 mm |
370±8 mm |
G |
400 mm |
400 mm |
506 mm |
506 mm |
H |
Acier inoxydable 1.4301 |
|||
I |
POM-C (FDA) |
|||
Interfaces électriques
Non applicable pour ce type d’Asycube.
Remarque
Pour utiliser le kit d’actionnement de purge, branchez le câble sur les sorties « IN2 » / « OUT2 » de l’Asycube. N’oubliez pas de débrancher le câble si vous devez démonter le système.
Remarque
Lors du branchement du cadre de purge, le moteur cherche sa position d’origine, ce qui émet un certain bruit. Dans certaines circonstances, ce bruit peut également être entendu pendant le fonctionnement.
Important
Pour éviter d’endommager prématurément le moteur, tous les mouvements qui n’ont pas pour but de vider la plateforme ne doivent pas être utilisés.
(Par exemple, pour un système de purge avec le clapet à gauche, seule la vibration « Gauche » peut être utilisée. De même, pour un système de purge dont le clapet est situé à droite, seule la vibration « Droite » peut être utilisée).
Remarque
Pour utiliser le cadre de purge, branchez le câble à la sortie « Purge » de l’Asycube. N’oubliez pas de débrancher le câble si vous devez retirer le cadre.
Remarque
Lors du branchement du cadre de purge, le moteur cherche sa position d’origine, ce qui émet un certain bruit. Dans certaines circonstances, ce bruit peut également être entendu pendant le fonctionnement.
Important
Pour éviter d’endommager prématurément le moteur, tous les mouvements qui n’ont pas pour but de vider la plateforme ne doivent pas être utilisés.
(Par exemple, pour un système de purge avec le clapet à gauche, seule la vibration « Gauche » peut être utilisée. De même, pour un système de purge dont le clapet est à droite, seule la vibration « Droite » peut être utilisée).
Montage du kit de purge
Non applicable pour ce type d’Asycube.
Étape 1 : Dévissez l’Asycube du côté du connecteur.
2 vis I5 
Étape 2 : Positionnez le support (A) (veillez à bien l’appuyer sur la surface de l’Asycube). Revissez l’Asycube.
2 vis I5 
Étape 3 : Desserrez les vis du support pour assurer une distance : d > 3mm, entre la surface du support (A) et la tête des vis.
2 vis I5 
Étape 4 : Positionnez le kit d’actionnement de purge (B) (1)-(2) et serrez les vis du support (A).
2 vis I5 , 4.5Nm 
Glissez le kit d’actionnement de purge (B) contre les vis avant de les serrer (Opération 2).
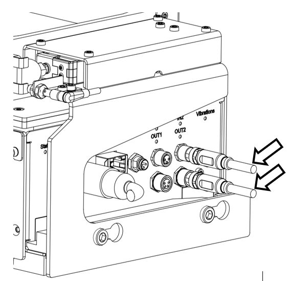
Étape 5 : Connectez le kit d’actionnement de purge à l’Asycube. Utilisez les sorties : IN2 / OUT2.
Étape 6 (optionnelle) : Retirez les 2 vis de la plaque latérale.
2 vis Tx10 
Étape 7 (optionnelle) : Vissez le bec de purge (C) sur la base de l’Asycube.
2 vis I2.5 - 1.2Nm 
Étape 8 : Positionnez la plateforme sur l’Asycube.
Étape 9 : Dévissez le support du capteur. Placez le capteur à une distance comprise entre 1 mm et 1.5 mm de la plaque du capteur. Serrez les deux vis du support du capteur.
2 vis I2.5 - 1.2Nm 
Étape 10 : Ouvrez Asycube Studio, sélectionnez l’onglet « configuration » et activez la fonction de purge.
Important
Lorsque le clapet de purge est ouvert, n’utilisez pas d’autres vibrations que celles de gauche ou de droite. Si cette contrainte n’est pas respectée, le mécanisme pourrait être irrémédiablement endommagé.
Important
Le kit de purge et l’activation de l’option de purge modifient le comportement des vibrations. N’oubliez pas de désactiver l’option de purge lorsque vous retirez le kit de purge.
Remarque
Sur l’Asycube 240 : Lorsque l’option purge est activée, l’entrée 2 et la sortie 2 sont désactivées et ne peuvent pas être utilisées pour déclencher une séquence ou commander une trémie.
Remarque
Les séquences de purge par défaut (gauche et droite) sont stockées dans la séquence 2 et 3 de chaque Asycube 240, 380 et 530.
Étape 1 : Vissez la plateforme au cadre de purge.
8 vis Tx10 - 0.8Nm 
Étape 2 : Vissez le bec de purge sur la base de l’Asycube.
4 vis (A) Tx8 - 0.6Nm 
Étape 3 : Positionnez l’assemblage sur l’Asycube. Vissez les 4 vis à poignée.
Étape 4 : Positionnez le kit d’actionnement de purge (B) (1)-(2) et serrez les vis du support (A).
2 vis I5 , 4.5Nm 