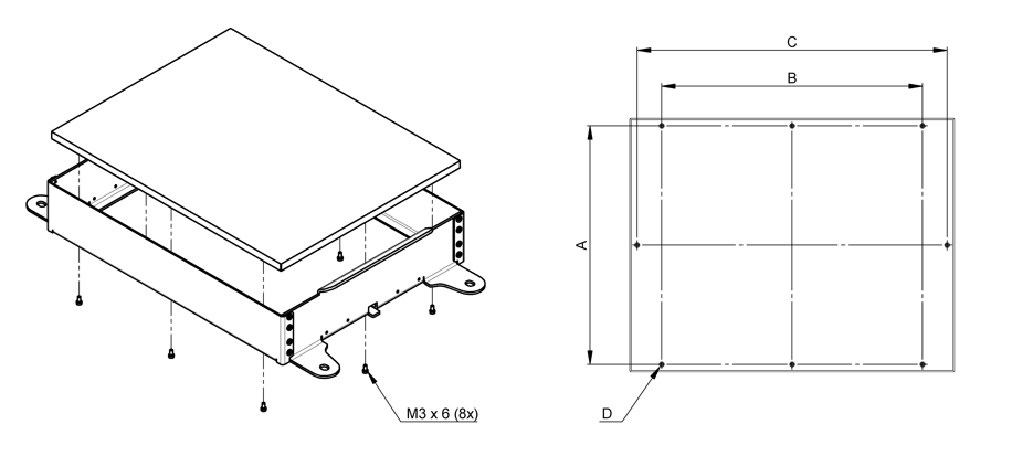
固定用キット
注釈
ここでは、Asycube Clean 230 は該当しません。
アジリル社製プラットフォーム以外を使用する場合は、以下の固定キットを使用し、プラットフォームのサイズと 重量 を考慮してください。
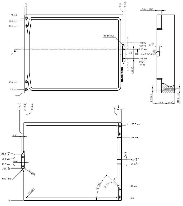
図 64 Asycube 380/530 専用のプラットフォームの機械的インターフェース
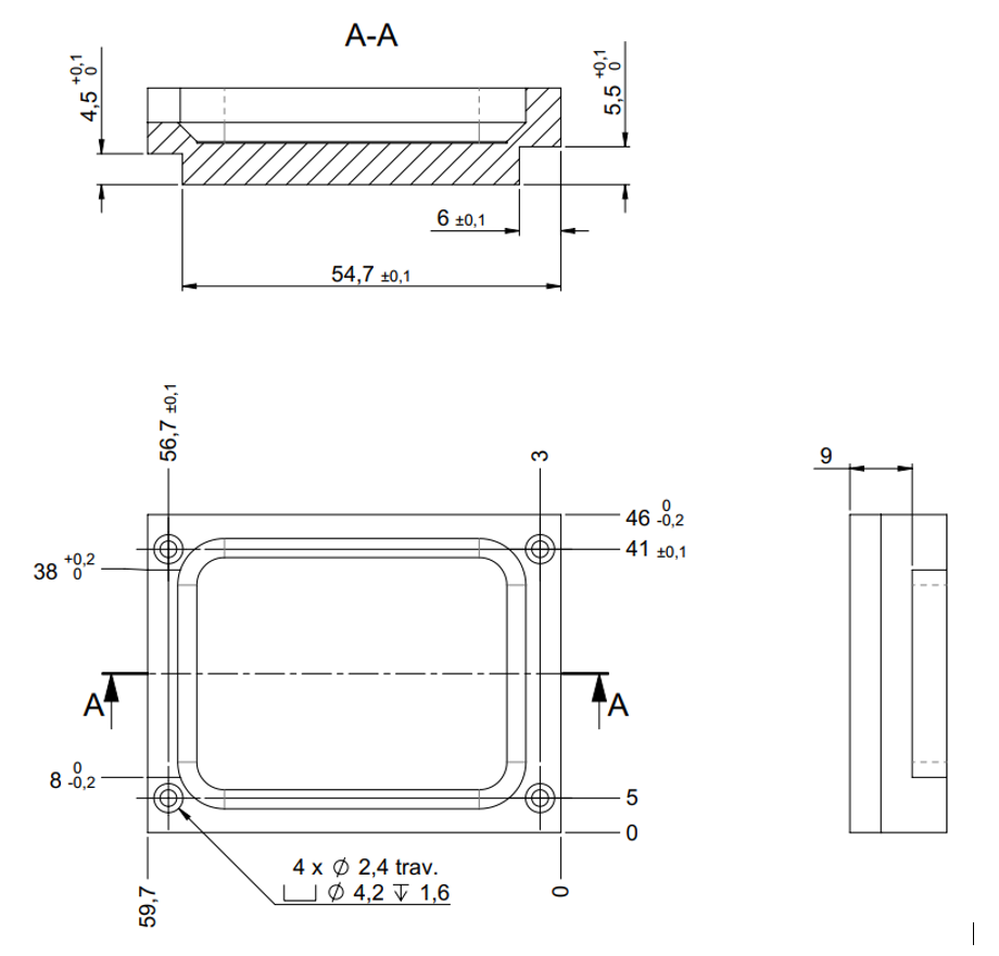
Asycube 380 専用プラットフォーム |
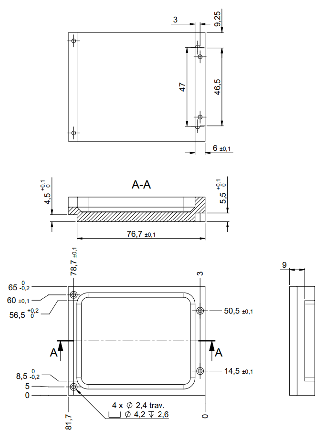
Asycube 530 専用プラットフォーム |
|
|---|---|---|
A |
238 ± 0.15 mm |
354 ± 0.15 mm |
B |
260 ± 0.15 mm |
360 ± 0.15 mm |
C |
309 ± 0.15 mm |
412 ± 0.2 mm |
D |
M3x6 mm (Threaded inserts Ensat BN20346) |
|
注釈
Asycube Clean 230 専用の固定キットはありません。