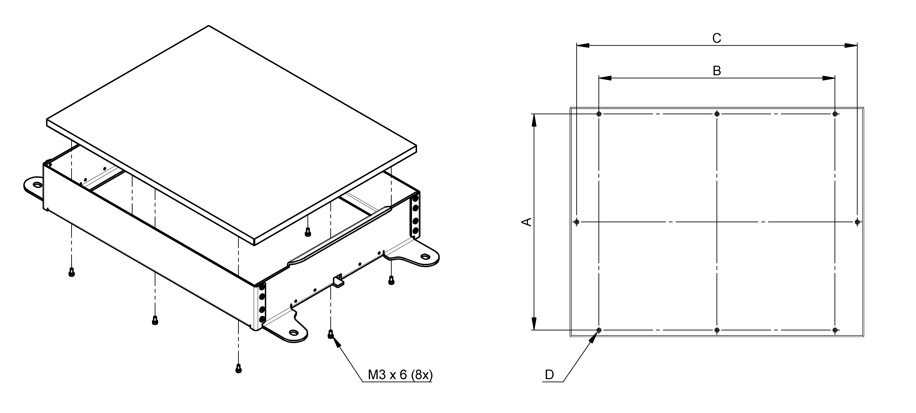
Kit de fixation
Remarque
Cette section ne concerne pas l’Asycube Clean 230.
Pour les clients souhaitant utiliser une plateforme autre que celle d’Asyril, il est nécessaire d’utiliser le kit de fixation suivant et de respecter les dimensions et le poids de la plateforme :
Fig. 58 Kit de fixation pour les Asycubes 50/80
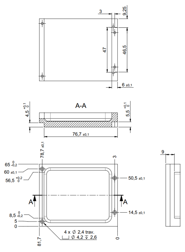
Fig. 59 Interfaces mécaniques de la plateforme de l’Asycube 50
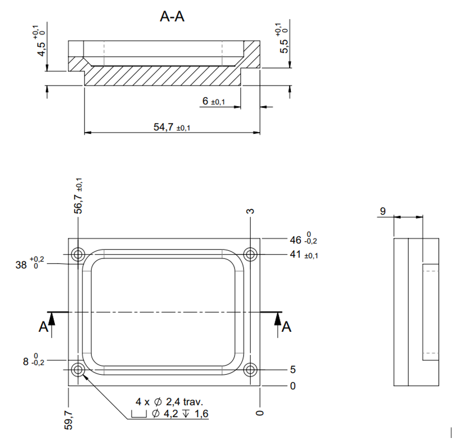
Fig. 60 Kit de fixation pour l’Asycube 80
Fig. 61 Interfaces mécaniques de la plateforme de l’Asycube 80
Fig. 62 Kit de fixation pour l’Asycube 240
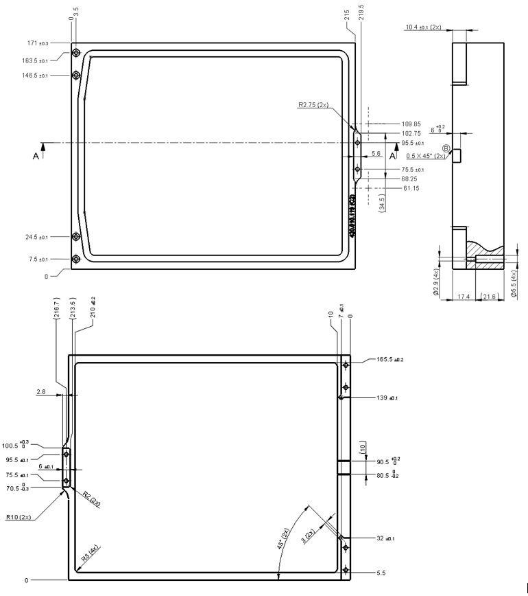
Fig. 63 Interfaces mécaniques de la plateforme de l’Asycube 240
Fig. 64 Interfaces mécaniques de la plateforme pour les Asycubes 380/530
Plateforme Asycube 380 |
Plateforme Asycube 530 |
|
|---|---|---|
A |
238 ± 0.15 mm |
354 ± 0.15 mm |
B |
260 ± 0.15 mm |
360 ± 0.15 mm |
C |
309 ± 0.15 mm |
412 ± 0.2 mm |
D |
M3x6 mm (Threaded inserts Ensat BN20346) |
|
Remarque
Pas de kit de fixation disponible pour l’Asycube Clean 230.