Fixation kit
Note
This section does not concern the Asycube Clean 230.
For customers wishing to use a platform other than Asyril’s, it is necessary to use the following fixing kit and to respect the dimensions and weight of the platform :
Fig. 58 Fixation kit for the Asycube 50/80
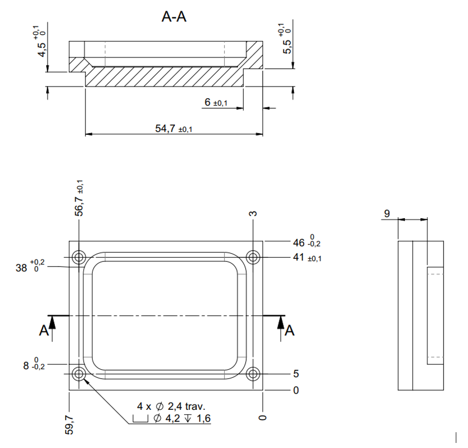
Fig. 59 Mechanical interfaces of the platform for the Asycube 50
Fig. 60 Fixation kit for the Asycube 80
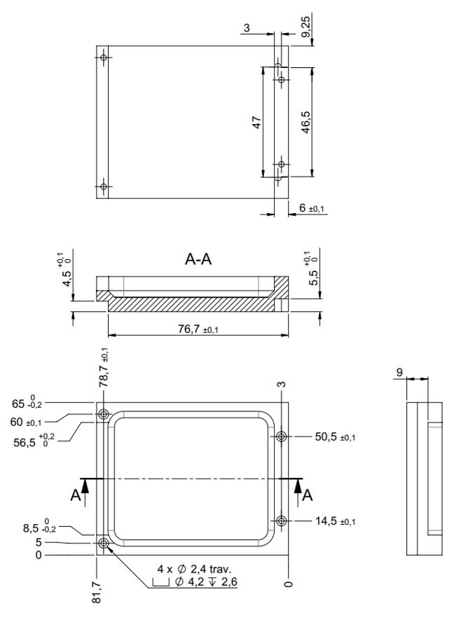
Fig. 61 Mechanical interfaces of the platform for the Asycube 80
Fig. 62 Fixation kit for the Asycube 240
Fig. 63 Mechanical interfaces of the platform for the Asycube 240
Fig. 64 Mechanical interfaces of the platform for the Asycube 380/530
Platform Asycube 380 |
Platform Asycube 530 |
|
|---|---|---|
A |
238 ± 0.15 mm |
354 ± 0.15 mm |
B |
260 ± 0.15 mm |
360 ± 0.15 mm |
C |
309 ± 0.15 mm |
412 ± 0.2 mm |
D |
M3x6 mm (Threaded inserts Ensat BN20346) |
|
Note
No fixation kit available for the Asycube Clean 230.