警告
これは、古いバージョンのドキュメントです。 最新の情報をご覧になりたい場合は、次をご覧ください 2025.11 .パージキットアクチュエータを交換する
重要
アクチュエータを交換する前に、パージアクチュエータキットをアジキューブから抜き、プラットフォームを取り外し、アクチュエータキットを取り外してください。
ステップ1
保護カバー(A)を外す。
4本の Tx10 ネジ 
ステップ2
ケーブル(B)自体ではなく 、コネクタを引っ張ってアクチュエータを取り外す。
ステップ3
アクチュエータブロックのネジを外す。
4本の Tx10 ネジ 
ステップ4
ネジを外して、サポート(1)を開く。
4本の X0 ネジ 
アクチュエータ(2)のネジを外す。
1本の Tx8 ネジ 
アクチュエータ(C)を交換する。
ステップ5
アクチュエータをサポート(1)にネジで留める。
1本の Tx8 ネジ、0.8Nm 
閉めて、サポート(2)をネジで留める。
4本の X0 ネジ、0.6Nm 
ステップ6
アクチュエータブロックをメインプレートにネジで留める。
4本の Tx10 ネジ、 1Nm 
ステップ7
アクチュエータ(D)に差し込む。
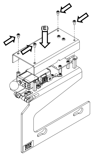
ステップ8
保護カバー (E) を元の位置にネジで留める。
4本の Tx10 ネジ、 0.6Nm 
ステップ1
保護カバー(A)を外す。
4本の Tx10 ネジ 
ステップ2
ケーブルを傷つけないように、ジップタイをカットする。
ステップ3
モーターブロックのネジを外す。
3本の Tx10 ネジ 
モーター(C)を取り外し、ケーブル(D)自体ではなく、コネクターを引っ張って切る。
ステップ4
保持リング(E)を取り外す。
モーターブロック(F)を交換する。
保持リング(E)の位置を変更する。
ステップ5
モーターブロック(G)を差し込む。
フラップネジ(1)を締める(フラップを閉じた状態でネジを留める)。
フラップを閉じた状態で、ブラケット(2)をネジで留める。
3本の Tx10 ネジ、1.2Nm 
ステップ6
ケーブル同士をジップタイ(H)で結ぶ。
ステップ7
元の位置(I)に、保護カバーをネジで留める。
4本の Tx 10 ネジ、0.6Nm 