Warnung
Sie lesen eine alte Version dieser Dokumentation. Wenn Sie aktuelle Informationen wünschen, schauen Sie bitte unter 2025.11 .Bunker für Asycube 240, 380 und 530
Die von Asyril verkaufte Bunkeroption umfasst :
Abb. 56 Bunker für Asycube 240, 380 und 530
Den Behälter (siehe Mechanische Schnittstellen) (auch „Tank“ genannt), der die Teile aufnimmt: Je nach Grösse der zuzuführenden Teile und der gewünschten Autonomie der Maschine können verschiedene Bunkergrössen verwendet werden (1L, 2L, 3L, 10L und 15L). Diese Behälter sind aus rostfreiem Inox 1.4301 Stahl.
Den Linearvibrator (siehe Mechanische Schnittstellen) : dies ist der Antrieb des Bunkers, dank dem die Teile im Behälter vorwärts fahren und auf den Asycube fallen.
Das Steuergerät : dient zur Einstellung der Schwingungsamplitude des Bunkers.
Den Kabelsatz (siehe Elektrische Schnittstellen): drei verschiedene Kabel sind in diesem Satz enthalten:
Eingangsstromkabel: verbindet die Bunkersteuerung mit dem Linearvibrator
Digitales Steuerkabel: verbindet die Bunkersteuerung mit dem Asycube
Stromkabel : verbindet die Bunkersteuerung mit der Stromversorgung
Anweisungen zum Schnellstart
Inhalt aus dem Karton nehmen
Menge 1 - Bunker
Menge 1 - Bunkersteuergerät
Menge 3 - Kabel: Eingangsstromkabel, Stromkabel zum Bunker, digitales Steuerkabel
Installieren und montieren Sie den Bunker, mehr Details dazu im Abschnitt Montage
Montieren Sie das Bunkersteuergerät. Mehr Details dazu im Abschnitt Montage
Verbinden Sie mit dem digitalen Steuerkabel den digitalen Ausgang des Asycubes mit dem Bunkersteurgerät.
Verbinden mit dem Stromkabel den Bunker mit dem Bunkersteuergerät.
Verbinden Sie die eingehende Stromversorgung. Entweder 115V oder 230V und 50Hz oder 60Hz.
Wichtig
Die Eingangsspannung UND die Frequenz müssen mit der Spannung und der Frequenz des Vibrationsmechanismus des Bunkers übereinstimmen. Wenn dies nicht berücksichtigt wird, kann der Bunker irreparabel beschädigt werden.
Stellen Sie den ON/OFF-Schalter des Bunkersteuergeräts auf ON.
Schalten Sie den digitalen Ausgang des Asycubes ein.
Bestätigen Sie, dass der Bunker vibriert.
Stellen Sie die Vibrationsstärke nach Bedarf mit dem Potentiometer (0-100%) am Bunkersteuergerät ein.
Elektrische Schnittstellen
Schaltplan
Der Bunker wird mit dem Steuergerät und den Kabeln einbaufertig geliefert. Je nach gewähltem Modell sollte der Bunker folgendermassen versorgt werden:
115V (+10%/-15%), 50Hz, 6A
115V (+10%/-15%), 60Hz, 6A
230V (+10%/-15%), 50Hz, 6A
230V (+10%/-15%), 60Hz, 6A
Wichtig
Die Eingangsspannung UND -frequenz müssen mit der Spannung und der Frequenz des Vibrationsmechanismus des Bunkers übereinstimmen. Wird dies nicht berücksichtigt, kann der Bunker irreparabel beschädigt werden.
Nummer |
Signal |
Interne Drähte |
Kabel des Bunkersteuergeräts |
|---|---|---|---|
1 |
L |
Mit 1 beschriftet oder braun |
|
2 |
N |
Mit 2 beschriftet oder blau |
|
3 |
PE |
Erdung (grün/gelb) |
Steuergerät
Abb. 57 Steuergerät
(A) Eingangsstromkabel : verbindet die Bunkersteuerung mit dem Linearvibrator.
(B) Digitales Steuerkabel: verbindet die Bunkersteuerung mit dem Asycube.
(C) Stromkabel : verbindet die Bunkersteuerung mit dem Stromnetz.
Das Steuergerät wird auf einer Halterung (A) mit den folgenden Abmessungen montiert.
Abb. 58 Steuergerät
Bemerkung
Stellen Sie das Steuergerät so auf, dass Sie das Potentiometer erreichen können.
Mechanische Schnittstellen
Die verschiedenen Bunkervarianten (1L, 2L, 3L, 10L und 15L) können auf der Rückseite oder an der Seite des Asycubes montiert werden. Dies ermöglicht Anwendungen wie „Dualfeeding“, bei denen zwei verschiedene Teile gleichzeitig über zwei getrennte Bunker auf denselben Asycube zugeführt werden, wie in Abb. 59 dargestellt.
Abb. 59 Darstellung von Monofeeding und Dualfeeding
Bemerkung
Bei Anwendungen mit Dualfeeding muss darauf geachtet werden, wie die Teile kombiniert werden, da beide Teile die gleichen Vibrationseinstellungen haben. Die Kombination eines sehr schweren und grossen Teils mit einem leichten und kleinen Teil führt möglicherweise nicht zu zufriedenstellenden Ergebnissen. Da viele Faktoren die Vibrationsseigenschaften beeinflussen können, raten wir Ihnen dringend, zunächst einige Vorversuche durchzuführen.
Die nachstehende Tabelle fasst zusammen, welche Bunkergrösse in Verbindung mit welchem Asycube bei „einfacher“ oder „doppelter“ Beschickung verwendet werden kann:
Asycube 240 |
Asycube 380 |
Asycube 530 |
|
|---|---|---|---|
1L-Bunker |
mono / dualfeeding |
mono / dualfeeding |
mono / dualfeeding |
2L-Bunker |
monofeeding |
mono / dualfeeding |
mono / dualfeeding |
3L-Bunker |
monofeeding |
mono / dualfeeding |
mono / dualfeeding |
10L-Bunker |
nicht kompatibel |
monofeeding |
mono / dualfeeding |
15L-Bunker |
nicht kompatibel |
nicht kompatibel |
monofeeding |
Bemerkung
2L- und 3L-Bunker werden mit Montagefüssen geliefert, die mit vier M8x20-Schrauben direkt in der richtigen Höhe für einen Asycube 240 am Maschinengestell befestigt werden können.
Bemerkung
Bei der Kombination von 1L-, 2L-, 3L-, 10L- und 15L-Bunkern mit Asycube 380 und Asycube 530 ermöglicht der optionale „MODULARE BUNKERBEFESTIGUNGSKIT“ die Montage des Bunkers in der idealen Höhe.
Den folgenden Diagrammen ist zu entnehmen, in welcher Höhe die verschiedenen Bunker zu montieren sind. Ferner wird die Position der Bohrungen zur Befestigung des Bunkers an der Maschinengrundplatte angegeben.
1L-Bunker
2L-Bunker
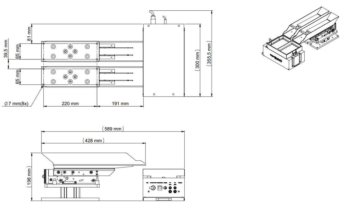
Mechanische Schnittstellen des 3L-Bunkers
Mechanische Schnittstellen des 10L-Bunkers
Asycube 380 Monofeeding
Abb. 76 10L-Bunker mit Befestigungskit (als Option je nach Produktliste)
Abb. 77 10L-Bunker ohne Befestigungskit
Mechanische Schnittstellen des 15L-Bunkers
Asycube 530 Monofeeding
Abb. 78 15L-Bunker mit Befestigungskit (als Option je nach Produktliste)
Abb. 79 15L-Bunker ohne Befestigungskit
Modulares Befestigungskit
Tipp
Dieser Abschnitt betrifft nur die Asycubes 380/530.
Das modulare Befestigungskit ermöglicht die Positionierung des Bunkers in einer Höhe, die perfekt an den Asycube 380/530 angepasst ist. Die Montageanleitung wird im Folgenden erläutert:
Schritt 1
Wählen Sie die Befestigungshöhe und befestigen Sie die erste Hälfte mit 2x M5 Schrauben
Bemerkung
Die Höhe des Befestigungskits kann in Schritten von 15 mm von 180 bis 255 mm verstellt werden.
Schritt 2
Sichern Sie die Montage mit 4x M8 Schrauben und Muttern
Schritt 3
Wiederholen Sie Schritt 1 und 2 für die zweite Hälfte.
Schritt 4
Befestigen Sie das modulare Befestigungskit auf der Grundplatte der Maschine und befestigen Sie dann den Bunker darauf.
















